最佳体验请使用Chrome67及以上版本、火狐、Edge、Safari浏览器 ×

创建银行
创建开票

    南芯科技推出内置MOS管的高集成度升降压充电芯片

    编者: 曾颖@芯闻道 阅读523 来源: 南芯科技 2025/04/02 10:49:56 文章 外链 公开

    3月21日,南芯科技宣布推出全集成同步双向升降压充电芯片 SC8911,该芯片配备 I2C 接口,专为常见的 2 串电池 30W 充电宝应用进行了效率优化,可有效降低外壳温升,为用户提供更安全、更高效的充电体验。SC8911 可支持 OTG 反向升压功能,兼容涓流充电、预充电、恒流充电、恒压充电、自动终止等多种模式,助力客户实现更高的效率、更低的 BOM 成本和更小的 BOM 尺寸。


    集成MOS方案,兼具三大亮点

    在传统升降压控制器搭配外置 MOS 的方案中,由于布板限制,PCB 走线往往过长,导致功率管驱动速率受限,从而影响整体效率。相比之下,SC8911 采用高度集成化的设计,集成了 3 路 NMOS 驱动,兼具高效率、低成本、小尺寸三大亮点。在紧凑型应用中,SC8911 还具备以下优势:

    • 效率大幅提升。通过内置功率管,SC8911 能够实现 4V/ns 以上的更高的开关速率,从而显著降低开关损耗。经测试,SC8911 最高可实现 97.6% 的效率,即使在发热严重的恶劣工况下(如电池电压 6V、输出 20V/1.5A),系统效率仍可达到 93.5%,PCBA 温度仅 69℃,显著优于行业平均水平。

    • PCB 布局更友好。内置功率管确保了足够小的驱动回路和功率回路路径,且在封装引脚设计上,也充分考虑了输入输出电容放置的便捷性。因此,SC8911 能够在保证高开关速度的同时,轻松应对 EMI 挑战。

    • 散热性能卓越。SC8911 采用了 4mm*5mm QFN-27 Flip chip 倒装封装方式,IC 内部的功率损耗热量可以通过封装铜柱直接传导至 PCB,有效增强了芯片的散热能力。

    图片

    SC8911 的放电效率曲线


    适配多样化需求,简化充电设计

    SC8911 拥有 4.4V-21V 的宽输入电压范围,待机状态下静态电流低至 50μA,运输模式下静态电流低至 5μA,优化设备能耗表现。在充电性能方面,SC8911 可通过 I2C 接口选择 240kHz/360kHz/480kHz 三种不同的开关频率,并实现全充电周期的电流及电压调节,充电电压控制精度最高可达 ±0.5%。尤其是针对反向 OTG 功能,SC8911 支持 10mV 电压步进精细调节需求,可满足 PD 和 UFCS 协议调压,支持终端设备的多样化需求。

    图片

    SC8911 支持充/放电模式及相关参数


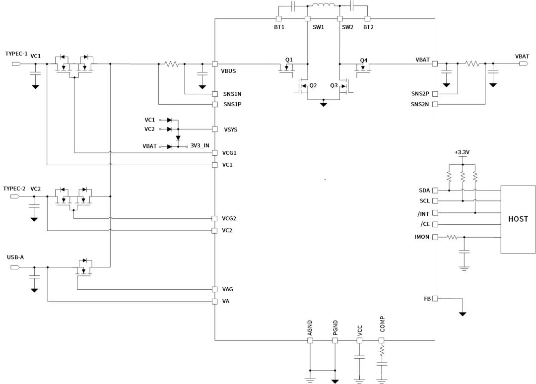
    SC8911 的集成化给充电设计也带去了很多便利:

    • SC8911 提供集成化的端口小电流检测功能和负载检测功能,可省去系统的端口电流检测电阻和 A 口负载检测电路

    • 通过优化系统逻辑,SC8911 在使用过程中可减少 I/O 口需求,降低协议芯片门槛

    • 使用 SC8911 还能让系统省去端口放电、适配器插入检测等电路,并将端口隔离 P 管替换成 N 管,进一步减小 BOM 尺寸、降低 BOM 成本。

    图片

    SC8911 典型应用框图


    多重检测与保护机制,守护充电过程

    SC8911 提供了多种检测功能,可精确测量输入电流、输入电压、电池电流、电池电压、结温和输出电流等参数,让整个充电过程尽在掌控。在此基础上,SC8911 集成了多种保护机制,包括端口和电池过压保护、输出过压保护、短路保护、逐周期电流限制和热关断保护等,有效保障整个充电过程的安全与稳定。


    南芯科技充电管理产品家族

    南芯科技现已建立起包含开关充电芯片、电荷泵充电芯片、线性充电芯片、无线充电芯片和 SoC 充电芯片在内的充电管理产品家族。其中,开关充电芯片提供升压、降压、升降压三种架构,可以对单节和多节电池进行充电和控制。新发布的 SC8911 兼具高效率、低成本、小尺寸三大优势,在小功率移动电源市场从 22.5W 向 30W 过渡的过程中,提供了极具竞争力的解决方案。


    *以上页面图表数据为理论值,均来自南芯内部实验室,于特定测试环境下所得(请见各项具体说明),实际使用中可能因产品个体差异、软件版本、使用条件和环境因素不同略有不同,请以实际使用的情况为准。


    声明:本网站部分内容来源于网络,版权归原权利人所有,其观点不代表本网站立场;本网站视频或图片制作权归当前商户及其作者,涉及未经授权的制作均须标记“样稿”。如内容侵犯了您相关权利,请及时联系责任编辑(原厂)
    李明骏
    @芯之元 ,版权号:
    成员
    • 成交数 --
    • 成交额 --
    • 应答率
    聊天 收藏 点赞
    赏
    ¥0.00¥0.00¥0.00¥0.00¥0.00
     0  0
    
    
    分享

    微信扫一扫:分享

    微信里点“+”,扫一扫二维码

    便可将本文分享至朋友圈。

        0
      验证
      二维码支付