最佳体验请使用Chrome67及以上版本、火狐、Edge、Safari浏览器 ×

创建银行
创建开票

    浩瀚芯光新品推介:超宽带低噪声放大器MH1052

    编者: 曾颖@芯闻道 阅读401 来源: 浩瀚芯光 2025/04/09 01:13:13 文章 外链 公开

    浩瀚芯光近日新推出一款GaAs超宽带低噪声放大器芯片MH1052,工作于1GHz~18GHz,单电源+5V工作。在33mA电流下,可提供17dB的增益和16dBm的P1dB输出功率,噪声系数 1.5dB。


    性能特点

    图片

    图片

    典型测试曲线

    图片

    图片

    图片

    图片

    图片

    图片


    外形尺寸

    图片


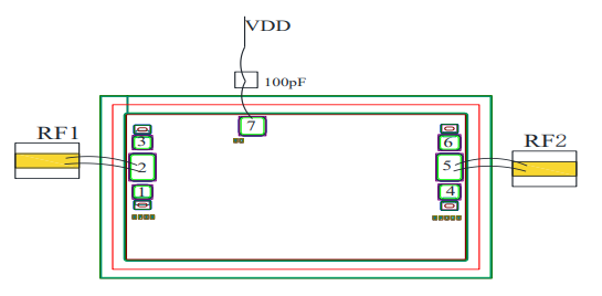
    键合压点定义

    图片


    装配示意图

    图片


    注意事项

    图片


    声明:本网站部分内容来源于网络,版权归原权利人所有,其观点不代表本网站立场;本网站视频或图片制作权归当前商户及其作者,涉及未经授权的制作均须标记“样稿”。如内容侵犯了您相关权利,请及时联系责任编辑(原厂)
    李明骏
    @芯之元 ,版权号:
    成员
    • 成交数 --
    • 成交额 --
    • 应答率
    聊天 收藏 点赞
    赏
    ¥0.00¥0.00¥0.00¥0.00¥0.00
     0  0
    
    
    分享

    微信扫一扫:分享

    微信里点“+”,扫一扫二维码

    便可将本文分享至朋友圈。

        0
      验证
      二维码支付