最佳体验请使用Chrome67及以上版本、火狐、Edge、Safari浏览器 ×

创建银行
创建开票

    超低电压!思瑞浦推出I3C电平转换器TPT29606,赋能服务器通信应用

    编者: 武花静@芯闻道 阅读204 来源: 思瑞浦 2025/08/12 00:57:19 文章 外链 公开

    聚焦高性能模拟与数模混合产品的供应商思瑞浦3PEAK(股票代码:688536)推出面向I3C应用的电平转换芯片TPT29606,可以传输开漏(Open-Drain)信号和推挽(Push-Pull)信号,兼容I2C和SPI等应用场景,支持最低0.72V供电电压,最高26Mbps的传输速率,广泛应用于服务器、路由器、存储、PC等领域。


    01
    TPT29606产品优势



    更低的输入电压范围


    VCCA和VCCB允许的输入电压范围低至0.72V,芯片极限耐压高达2.5V,有效减小因为输入过冲而导致芯片失效的可能性,静态功耗也仅有μA级别,非常适合I3C或者其他有低压电平转换需求的应用场景。



    兼容多种总线和更高的传输速率


    TPT29606除了满足I3C总线的电平转换需求外,还向下兼容I2C协议,此外还适用于SPI、SMBus、PMBus等多种场景。其中对于I3C总线应用,支持最高12.5MHz的传输速率;对于SPI总线应用,速率则高达26MHz。


    电气隔离,自动方向检测


    当芯片使能引脚OE或者任意一路VCCx为低电平,所有I/O引脚会进入高阻状态,实现芯片两端隔离的功能。另外芯片的VCCA和VCCB没有上电时序要求,使用过程中也会自动检测信号的传输方向进行切换,无需方向控制,使系统设计变得更加简单。



    更高的ESD和Latch-up能力


    TPT29606的HBM(ANSI/ESDA/JEDEC JS-001)高达±7kV,CDM(ANSI/ESDA/JEDEC JS-002)也达到±1.5kV,Latch-up(JESD78)更是高达±600mA,大幅度提升了客户系统的鲁棒性。


    02
    TPT29606产品特性


    •适用场景:I3C、I2C、SPI、SMBus、PMBus、etc.

    •通道数量:2 channels

    •输入电压范围:VCCA支持0.72~1.98V、VCCB支持0.72~1.98V(VCCA ≤ VCCB)

    •温度范围:-40℃ ~ 125℃

    •封装形式:SOT23-8、DFN1.4*1-8


    03
    TPT29606典型应用


    TPT29606可满足包括I3C在内的多种总线电平转换要求。芯片内部设计了上升/下降沿加速电路,当检测到上升沿时,芯片内部通过单稳态电路控制加速电路开启,总线电平被迅速上升到VCCX。上升沿加速电路关闭后,总线通过内部10kΩ的上拉电阻维持高电平。该上拉电阻仅在 VCCA 和 VCCB都上电、OE 为高电平,且总线为高电平的情况下才被启用,在低电平期间自动禁用,以减小功耗。对于I3C应用,无需额外的外部上拉电阻。对于I2C应用,仍需保留外部上拉电阻。

    图片1.png

    图1 TPT29606内部功能框图

    当VCCA或者VCCB中的任何一路断开连接的时候,芯片会自动进入power-down模式并同时关闭所有的输出接口,对外部电路提供保护。如果不需要进行使能控制,OE可以直接连接到VCCA,如果需要控制可以连接到GPIO。

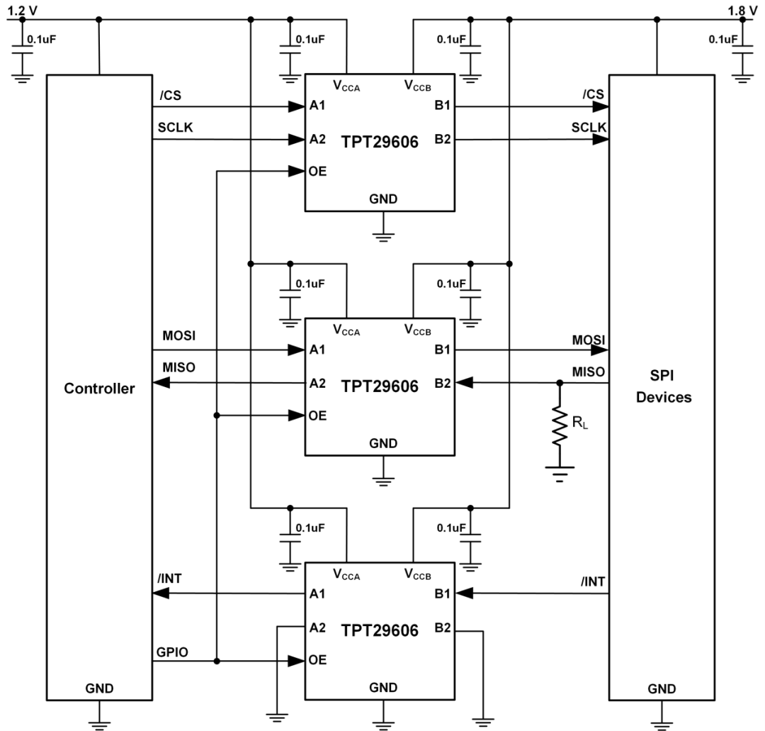
    TPT29606针对I3C、I2C和SPI的典型应用分别如下图:


    图片3.png

    图2 TPT29606的I3C应用推荐电路



    图片4.png

    图3 TPT29606的I2C应用推荐电路



    图片5.png

    图4 TPT29606的SPI应用推荐电路





    声明:本网站部分内容来源于网络,版权归原权利人所有,其观点不代表本网站立场;本网站视频或图片制作权归当前商户及其作者,涉及未经授权的制作均须标记“样稿”。如内容侵犯了您相关权利,请及时联系责任编辑(原厂)
    李明骏
    @芯之元 ,版权号:B000038995669
    成员
    • 成交数 --
    • 成交额 --
    • 应答率
    聊天 收藏 点赞
    赏
    ¥1.00¥5.00¥10.00¥50.00¥100.00
     0  0
    
    
    分享

    微信扫一扫:分享

    微信里点“+”,扫一扫二维码

    便可将本文分享至朋友圈。

        0
      推荐商品
      验证
      二维码支付